您好,歡迎光臨帝國科技!
產品分類
PRODUCT
PRODUCT
- 國產晶振
- 聲表面濾波器
- 石英晶體
- 石英晶振
- 貼片晶振
- 陶瓷晶振
- 陶瓷濾波器
- 陶瓷霧化片
- 進口晶振
- MERCURY晶振
- Fujicom晶振
- 日本大真空晶振
- 愛普生晶振
- 西鐵城晶振
- 精工晶振
- 村田陶瓷晶振
- 日本京瓷晶振
- 日本進口NDK晶體
- 大河晶振
- TXC晶振
- 亞陶晶振
- 臺灣泰藝晶體
- 臺灣鴻星晶體
- 美國CTS晶體
- 微孔霧化片
- 加高晶振
- 希華石英晶振
- AKER晶振
- NAKA晶振
- SMI晶振
- NJR晶振
- NKG晶振
- Sunny晶振
- 歐美晶振
- Abracon晶振
- ECS晶振
- Golledge晶振
- IDT晶振
- Jauch晶振
- Pletronics晶振
- Raltron晶振
- SiTime晶振
- Statek晶振
- Greenray晶振
- 康納溫菲爾德晶振
- Ecliptek晶振
- Rakon晶振
- Vectron晶振
- 微晶晶振
- AEK晶振
- AEL晶振
- Cardinal晶振
- Crystek晶振
- Euroquartz晶振
- FOX晶振
- Frequency晶振
- GEYER晶振
- KVG晶振
- ILSI晶振
- MMDCOMP晶振
- MtronPTI晶振
- QANTEK晶振
- QuartzCom晶振
- Quarztechnik晶振
- Suntsu晶振
- Transko晶振
- Wi2Wi晶振
- ACT晶振
- MTI晶振
- Lihom晶振
- Rubyquartz晶振
- Oscilent晶振
- SHINSUNG晶振
- ITTI晶振
- PDI晶振
- ARGO晶振
- IQD晶振
- Microchip晶振
- Silicon晶振
- Fortiming晶振
- CORE晶振
- NIPPON晶振
- NICKC晶振
- QVS晶振
- Bomar晶振
- Bliley晶振
- GED晶振
- FILTRONETICS晶振
- STD晶振
- Q-Tech晶振
- Anderson晶振
- Wenzel晶振
- NEL晶振
- EM晶振
- PETERMANN晶振
- FCD-Tech晶振
- HEC晶振
- FMI晶振
- Macrobizes晶振
- AXTAL晶振
- DEI晶振
帝國博客
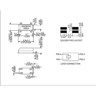
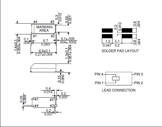
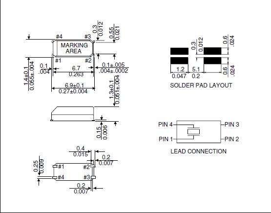
更多>>- 規格型號:29575907
- 頻率:32.768KHZ
- 尺寸:7.0*1.5mm
- 產品描述:Rubyquartz晶振,H14晶振,RSE-32.768-12.5-H14-TR晶振,貼片晶振本身體積小,超薄型石英晶體振蕩器,特別適用于有目前高速發展的高端電子數碼產品,因為晶振本身小型化需求的市場領域,小型,薄型是對應陶瓷振蕩器(偏差大)和...
Rubyquartz晶振,H14晶振,RSE-32.768-12.5-H14-TR晶振
.jpg)
Rubyquartz晶振,H14晶振,RSE-32.768-12.5-H14-TR晶振,貼片晶振本身體積小,超薄型石英晶體振蕩器,特別適用于有目前高速發展的高端電子數碼產品,因為晶振本身小型化需求的市場領域,小型,薄型是對應陶瓷振蕩器(偏差大)和普通的石英晶體振蕩器(偏差小)的中間領域的一種性價比較出色的產品.產品廣泛用于筆記本電腦,無線電話,衛星導航SSD,USB,Blu-ray等用途,符合無鉛焊接的高溫回流焊曲線特性.Rubyquartz公司量產的石英晶振,貼片晶振和陶瓷諧振器具有優良的兼容性,相同參數,封裝的晶振可通用,或可以運用到不同的產品身上,除了研發量產常規型頻率控制元器件產品,也在開發非常規的特殊晶體,以滿足不同廠家的生產需求。
Rubyquartz晶振擁有非常專業的頻率元件設計與制造技術,其經營理念與生產概念領先許多業界的制造商,產品類型也比較完整。旗下量產的石英組件包括石英晶體諧振器,32.768K晶振,石英晶體振蕩器,OCXO恒溫晶振,VCXO壓控晶振,TCXO溫補晶振,差分晶振等,其他不同材質的頻率元件還有陶瓷晶振和SAW濾波器,所有產品都符合歐盟協會要求的ROHS指令,經過相關部門的檢測,生產車間與環境是標準的無塵干凈化,污染排放達到標準,積極保護資源并防止污染,質量控制規范,長期堅持保證高標準的品質,確保定期評估全部質量要求,讓客戶滿意度保持在100%。Rubyquartz晶振,H14晶振,RSE-32.768-12.5-H14-TR晶振.
| NOMINAL FREQUENCY | 32.768 kHz |
| FREQUENCY TOLERANCE | ±20 PPM, ±50 PPM |
| TURNOVER TEMPERATURE | ±25°C ±5°C |
| TEMPERATURE COEFFICIENT | -(0.035±0.01) PPM/°C² |
| LOAD CAPACITANCE | 12.5 pF |
| EQUIVALENT SERIES RESISTANCE | 65 kOHMS MAXIMUM |
| DRIVE LEVEL | 0.1 µW TYP, 1 µW MAX. |
| SHUNT CAPACITANCE | 0.8 pF TYPICAL |
| AGING (FIRST YEAR) | ±3 PPM/YEAR MAXIMUM |
| OPERATING TEMPERATURE RANGE | -20°C TO +70°C |
| STORAGE TEMPERATURE RANGE | -40°C TO +125°C |
| INSULATION RESISTANCE | 500 MOHMS MINIMUM |
| SHOCK RESISTANCE | ±5 PPM MAXIMUM |
正常溫度和濕度:
溫度:+15°C 至 +35°C,濕度 25 % RH 至 85 % RH(請參閱“測試點JIS C 60068-1 / IEC 60068-1的標準條件”章節內容)。
(2) 請仔細處理內外盒與卷帶。外部壓力會導致卷帶受到損壞。
安裝時注意事項
耐焊性
加熱包裝材料至+150°C以上會破壞產品特性或損害產品。如需在+150°C以上焊接晶體產品,建議使用SMD產品。在下列回流條件下,對晶體產品甚至SMD產品使用更高溫度,會破壞產品特性。建議使用下列配置情況的回流條件。安裝這些產品之前,應檢查焊接溫度和時間。同時,在安裝條件更改的情況下,請再次進行檢查。如果需要焊接的石英晶體產品在下列配置條件下進行焊接,請聯系我們以獲取耐熱的相關信息。
(1)柱面式產品和DIP產品
型號 焊接條件
[ 柱面式 音叉晶振]
C-類型,C-2-類型,C-4-類型 +280°C或低于@最大值5 s
請勿加熱封裝材料超過+150°C
[ 柱面式 ]
CA-301
[ DIP ]
SG-51 / 531, SG-8002DB DC,
RTC-72421 / 7301DG +260°C或低于@最大值 10 s
請勿加熱封裝材料超過+150°C
(2)SMD晶振產品回流焊接條件(實例)
用于JEDEC J-STD-020D.01回流條件的耐熱可用性需個別判斷。請聯系我們以便獲取相關信息。
盡可能使溫度變化曲線保持平滑。Rubyquartz晶振,H14晶振,RSE-32.768-12.5-H14-TR晶振.

深圳市帝國科技有限公司
SHENZHEN DIGUO TECHONLOGY CO.,LTD
手 機:86-13826527865
電 話:86-0755-27881119 QQ:921977998
E-mail:dgkjly@163.com
網 址:m.9x9kj.com
地 址:中國廣東省深圳市寶安區西鄉大道新湖路




.jpg)




業務經理